科力達KTS-442系列全站儀道路放樣操作
學全站儀,最怕走彎路!今天,小科給大家簡單介紹一下KTS-442系列全站儀道路放樣如何操作?全站儀道路放樣可以根據道路設計確定的樁號和偏差來對設計點進行定線放樣。
對于定線放樣,必須先定義線型。定義水平定線的方法:通過【道路設計】功能中的 【接收水平定線數據】從計算機中裝入;或在【定義水平定線】程序中手工輸入。
垂直定線數據可以不用定義,但是若要計算填挖,則必須定義。定義方法同定義水平定線方法一樣。
定線放樣數據的規定如下圖所示:
【偏差】 左:表示左邊樁點與中線的平距;右: 為右邊樁與中線的平距。
【高差】 左(右)分別為左、右邊樁與中線點的高程差。

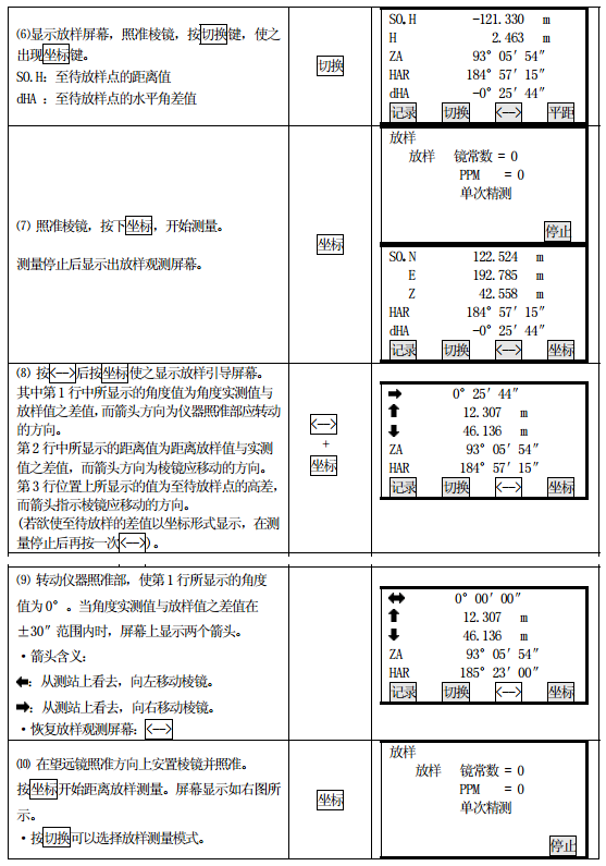
1、設置測站
測站的設置可以通過鍵盤或從儀器內存讀取的方式輸入。鍵盤輸入是按“樁號、偏差” 的形式輸入的,而從內存中讀取的是 N、E、Z 坐標形式。


2、設置后視點
對于后視點的設定,程序提供了兩種方法:直接輸入后視角,通過坐標設置后視方位角。
1) 利用角度定后視

2) 利用坐標定后視
這種設置后視的方法同測站的設置方法一樣。可以通過鍵盤或從儀器內存讀取的方式輸入。鍵盤輸入是按“樁號、偏差”的形式輸入的,而從內存中讀取的是 N、E、Z 坐標形式。


3、放樣
當設置好測站點和后視點以后,就可以進行放樣了。



注:在任何時候按 ESC 鍵返回到樁號和偏差設置屏幕,便可以輸入新點進行下一點的放樣;在點號屏幕按 ESC 鍵返回到上一屏幕。
此功能中按FUN 鍵可改目標高。
對主放樣屏幕說明如下:

坡度:該功能鍵用于斜坡放樣(按 FNC 鍵可顯示 P2 頁功能鍵)
左偏:該功能鍵用于放樣左邊樁;按該鍵便顯示左邊樁的偏差、高程差
右偏:該功能鍵用于放樣右邊樁;按該鍵便顯示右邊樁的偏差、高程差
增樁:該功能鍵用于增大樁號(增大的數據為當前樁號加上樁號增量)
減樁:該功能鍵用于減小樁號(減小的數據為當前樁號減去樁號增量)
4、斜坡放樣
斜坡放樣可作為定線放樣選擇項的一部分來執行;必須先在道路設計菜單中定義垂直定線和水平定線后才能進行斜坡放樣;在主放樣屏幕中按坡度鍵則顯示斜坡放樣。

這里輸入的填挖量實際是一個比值。

填挖可以用左右斜坡來輸入,對于填和挖,用正號輸入所要求的斜坡,系統軟件會根據該點的實際位置從表中選擇適當的坡度。
填或挖是由連接點的估計高程來確定,若高程在連接點的高程之上,則用挖斜坡,否則用填斜坡。
如下圖:



注意:
1) 若地表面通過連接點,則計算不出交點。
2) 因計算點填挖量為零,故不能顯示填挖量。
更多相關
尼康Nikon_DTM-452全站儀中文使用說明書
尼康Nikon_DTM-452全站儀中文使用說明書...
賓得Pentax R-200DN系列全站儀使用說明書
賓得PentaxR-200DN系列全站儀使用說明書...
尼康Nikon_DTM-801系列全站儀使用說明書
尼康Nikon_DTM-801系列全站儀使用說明書...
徠卡TS02-TS06-TS09全站儀使用說明書
徠卡TS02-TS06-TS09全站儀使用說明書 徠卡TS02、徠卡TS06、徠卡TS09全站儀使用說明書,用戶手冊;本說明書提供在線預覽、下載等服...
中緯ZT10/ZT10R全站儀使用說明書
海克斯康集團旗下測量儀器品牌:中緯,與兄弟公司徠卡的尖端測量技術互通,在2017年第四季度推出全新的ZT10R/ZT10全站儀。&n...
尼康Nikon_Nivo2.C系列中文全站儀使用說明書
尼康Nikon_Nivo2.C系列中文全站儀使用說明書...
拓普康Topcon_GPT3000系列(3002_3005_3007)全站儀說明書
拓普康Topcon_GPT3000系列(3002_3005_3007)全站儀說明書...
中緯ZOOM系列全站儀說明書
中緯全站儀說明書,全站儀說明書,ZOOM20全站儀說明書,ZOOM30全站儀說明書,ZOOM35全站儀說明書(注:此操作手冊電子版本文件較大,受網絡影響緩存較慢請耐心等待)...











環球測繪微信